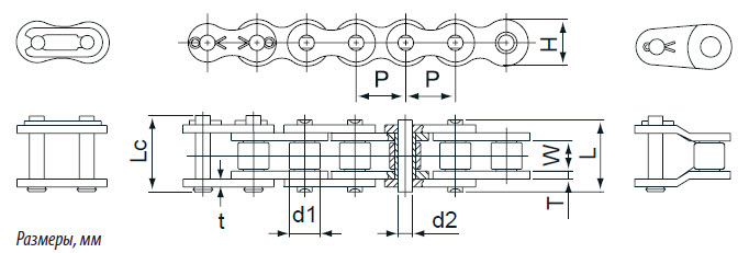
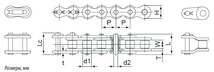
SAPPHIRE цепь ISO

Модель a046482

Производитель a0

Наличие Уточняйте

Возникли вопросы по товару?

Просьба прислать запрос с техническими деталями и реквизитами вашей производственной компании на электропочту
  • Описание

  • Характеристики

Вы смотрели

  • BMXXCAUSBH018
  • 1771-DBMEM2 модуль
  • 1756-RM2 модуль
  • Насосы ETNA
  • SAPPHIRE цепь ISO
  • TH датчики Temposonics
  • Муфты SURE-FLEX TB Wood’s
  • CLV650-0000 SICK
  • CP1L-M60DR-A Omron
  • Муфта MWU Stromag
  • 6SE7031-2EF60
  • 6SE7021-0TP70
  •  6FX2001-5QD25-1AA0  энкодер
  •  3SK1111-2AB30
  •  3RT2028-1BB40
  •  3RV2011-1CA10
наверх