Просьба прислать запрос с техническими деталями и реквизитами вашей производственной компании на электропочту
Просьба прислать запрос с техническими деталями и реквизитами вашей производственной компании на электропочту
Условия сотрудничества: конечный производитель-резидент России, письменный немассовый запрос с шильдом или иной тех.информацией с указанием применения (образец), предоставление ИНН. Адресатам бесплатных почтовых сервисов yandex/mail/rambler и тп необходима верификация электропочты в качестве корпоративной.
Описание
Характеристики
Редукторы скорости Cotta - купить в компании АРВЕ. Чтобы узнать наличие, сроки поставки, условия доставки, скачать прайс-лист, каталог или инструкцию, получить консультацию по всем возникающим вопросам, обращайтесь к нашим менеджерам удобным вам способом.
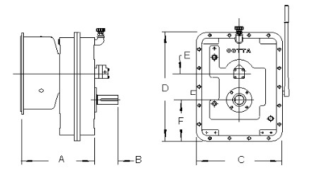
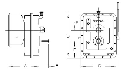
| MODEL |
TORQUE |
MAX RATIO |
STD SAE HSG SIZE |
WT. (lbs) |
A | B | C | D | E | F |
OUTPUT |
| AR2053A AR2053E |
350 325 |
4 | 2 | 400 | 14.62 | 5.65 | 16.12 | 21.75 | 5.5 | 9.13 | 2.25 |
| SR2A SE2E |
800 600 |
4 | 1 | 800 | 18.5 | 6.2 | 22.0 | 29.0 | 7.0 | 11.0 | 3.0 |
| SR700A SR700E |
650 | 1.95 | 1 | 560 | 21.18 | 5.5 | 14.0 | 18.0 | 6.25 | 6.5 | 3.0 |
| SR3A SR3E |
1400 950 |
3.89 | 0 | 975 | 24.0 | 6.4 | 25.0 | 33.0 | 8.00 | 12.5 | 3.0 |
| GR15A GR15E |
1450 | 2.46 | 1 | 1230 | 25.38 | 5.5 | 21.0 | 23.5 | 9 | 8.75 | 4.0 |
| GR16A GR16E |
1650 | 3 | 0 | 1530 | 28.25 | 9.0 | 25.0 | 25.75 | 10.25 | 9.75 | 4.0 |
| GR1600A GR1600E |
3000 2600 |
3 | 00 | 1530 | 28.25 | 9.0 | 25.0 | 25.75 | 10.25 | 9.75 | 4.0 |
| GR3200A GR3200E |
5500 4500 |
3.1 | 00 | 2000 | 28.15 | 7.0 | 41.0 | 37.3 | 11.75 | 15.75 | 4.75 |