Редуктор 913CDNK21000B7 Winsmith

Модель a045057

Производитель a0

Наличие Уточняйте

Возникли вопросы по товару?

Просьба прислать запрос с техническими деталями и реквизитами вашей производственной компании на электропочту
  • Описание

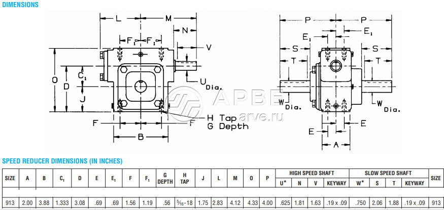
  • Характеристики

купить в компании АРВЕ. Чтобы узнать актуальную цену, наличие, сроки поставки, условия доставки по Москве, МО и территории России, скачать прайс-лист, каталог или инструкцию, получить консультацию по всем возникающим вопросам, обращайтесь к нам по электропочте или позвонив нашим менеджерам.

Тип редуктора 913CDNK - LR -00-10:1
SERIES 9
CENTER DISTANCE 13 - 1,33"
INPUT STYLE C-Flange w/Coupling motor adapter - 
MOTOR FRAME SIZE 56С
BASIC MODEL DN - Footless solid output
REDUCTION STAGES K - Single Reduction Only
SHAFT ARRANGEMENT Horizontal Units
  LR - Solid out —double ext
OUTPUT STYLE 00 - Solid Output Shaft 
RATIO _10:1_
RPM 1750
INPUT Hp 0,63
TONQUE 187
реверсивные пуски отсутствуют
характер внешней нагрузки равномерная
продолжительность суточной работы 24 часа
продолжительность включения в течении 20%
климатическое исполнение и  категория в отапливаемом помещении
размещения  

Вы смотрели

  • sct175011cxvxb уплотнение EagleBurgmann
  • MNK насосы Richter Chemie-Technik
  • 18207162 модуль FSC11B
  • Оборудование Oleodinamica 2MP
  • Dar Mix + встроенная мешалка APV SPX
  • Card 1784-ptkx Allen Bradley
  • Редуктор JPM26 ratio 60/1 Renold
  • ПРЧ 22F-A8P0N103 Allen-Bradley
  • Однофазный двигатель Motive
  • Датчик уровня Roto-Bin-Dicator 229-0000000567 sn 1525906 BINDICATOR
  • Нагреватели HXRL фторполимерный Process Technology
  • Насосы W+ 50/600 APV SPX
  • Редуктор 913CDNK21000B7 Winsmith
  • AM2-FC клапаны Aidro Hydraulics
  • 13002830 датчик давления Wika
  • SPD16NS-R54-K006 преобразователь
наверх