Просьба прислать запрос с техническими деталями и реквизитами вашей производственной компании на электропочту
Просьба прислать запрос с техническими деталями и реквизитами вашей производственной компании на электропочту
Условия сотрудничества: конечный производитель-резидент России, письменный немассовый запрос с шильдом или иной тех.информацией с указанием применения (образец), предоставление ИНН. Адресатам бесплатных почтовых сервисов yandex/mail/rambler и тп необходима верификация электропочты в качестве корпоративной.
Описание
Характеристики
купить в компании АРВЕ, чтобы узнать наличие, сроки поставки, условия доставки, скачать прайс-лист, каталог или инструкцию, получить консультацию по всем возникающим вопросам, обращайтесь к нашим менеджерам удобным вам способом.
--
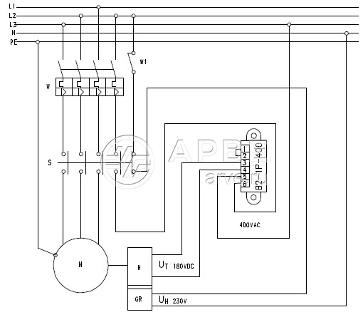
Монтажные диски предназначены для крепления электромагнитных дисковых тормозов постоянного тока серии HPS и H2SP. Завод предлагает различные варианты исполнения: от напряжения питания до климатических условий, что позволяет выбрать подходящий вариант для индивидуальных потребностей пользователя.
Одним из таких дополнительных вариантов исполнения, является монтажный диск с нагревательным элементом, позволяющий использовать автономное отопление, для предотвращения конденсации воды внутри рабочих элементов тормоза, что является особенно важным при эксплуатации электродвигателей при температуре ниже нуля градусов по Цельсию и (или) высокой влажности. При эксплуатации в сложных погодных условиях, подогрев монтажного диска, одновременно, нагревает подшипник электродвигателя, что дает полную готовность привода к запуску. На нагревательный элемент подается стандартное напряжение 230V переменного тока, через внешний кабель, крепящийся к монтажному диску. Схема включения в цепь питания электродвигателя с тормозом представлена на фото.
Электрическая схема построена таким образом, чтобы существовала возможность независимого включения/выключения нагревателя (GR) выключателем (W1). Питание нагревателя включается с момента остановки двигателя и прерывается с момента его запуска. В приведенной схеме, это реализовано следующим способом: управление питанием осуществляется через контакт управляющего контактора (S), который разрывает цепь питания при работе электродвигателя и нахождении электромагнитного тормоза под напряжением (в расторможенном состоянии).
Отключение питания двигателя и тормоза (замедление, остановка двигателя) снова включает нагреватель.
Пример процедуры запуска привода в соответствии с приведенной схемой:
- включение (W1) (если не был включен) и нагрев тормоза,
- включение главного выключателя (W),
- включение тормоза (H) и одновременная подача напряжения на клеммы двигателя (М),
- отключение нагревателя (GR).