Просьба прислать запрос с техническими деталями и реквизитами вашей производственной компании на электропочту
Просьба прислать запрос с техническими деталями и реквизитами вашей производственной компании на электропочту
Условия сотрудничества: конечный производитель-резидент России, письменный немассовый запрос с шильдом или иной тех.информацией с указанием применения (образец), предоставление ИНН. Адресатам бесплатных почтовых сервисов yandex/mail/rambler и тп необходима верификация электропочты в качестве корпоративной.
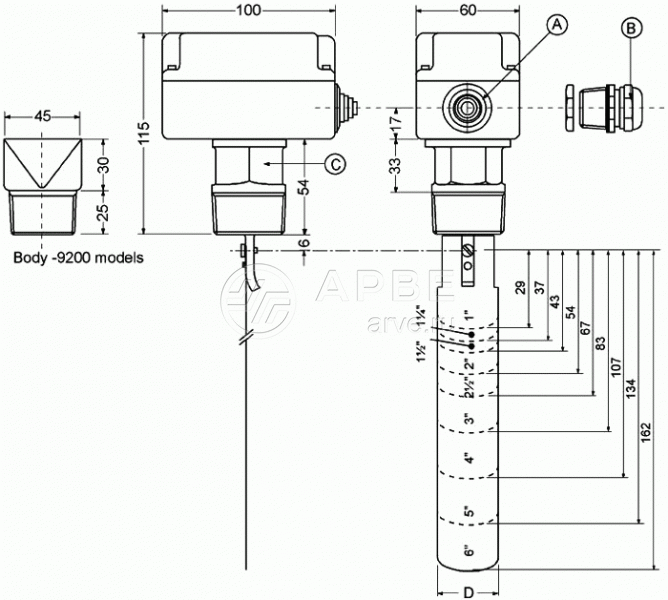
Описание
Характеристики
| JOHNSON CONTROLS | |
| сигнализатор | |
| скорость потока жидкости | |
| SPDT | |
| программируемая точка срабатывания | |
| морская вода | |
| 250В AC/8A | |
| поликарбонат | |
| 1кг | |
| IP67 | |
| 55°C | |
| нержавеющая сталь | |
| 10бар | |
| 100°C |
Масса брутто: 0.92 kg
