Просьба прислать запрос с техническими деталями и реквизитами вашей производственной компании на электропочту
Просьба прислать запрос с техническими деталями и реквизитами вашей производственной компании на электропочту
Условия сотрудничества: конечный производитель-резидент России, письменный немассовый запрос с шильдом или иной тех.информацией с указанием применения (образец), предоставление ИНН. Адресатам бесплатных почтовых сервисов yandex/mail/rambler и тп необходима верификация электропочты в качестве корпоративной.
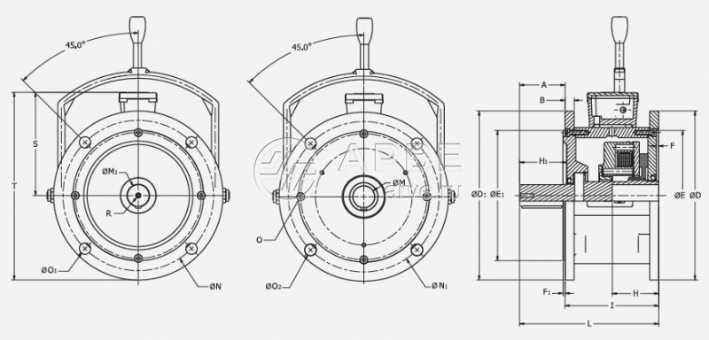
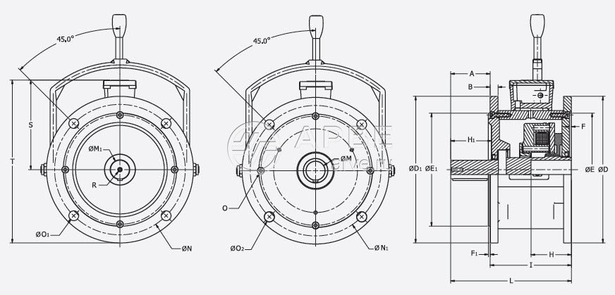
Описание
Характеристики
Области применения: НПЗ, электростанции, силосы, добыча полезных ископаемых
==
EMF BRAKE (Турция, 2006 г/о) - производитель пружинных тормозов. Обладая динамичным персоналом и возможностями исследований и разработок, каталог включет такие группы как электромагнитные тормоза и сцепления, порошковые тормоза и сцепления, группы тормозных муфт, тормоза с сервомоторами, тормоза и сцепления с постоянными магнитами, зубчатые муфты, тормоза переменного тока и взрывозащищенные тормоза. EMF имеет национальную и международную дилерскую сеть, производство на закрытой территории площадью 3000 м².