FGC Муфты

Модель a049469-9082

Производитель a0

Наличие Уточняйте

Возникли вопросы по товару?

Просьба прислать запрос с техническими деталями и реквизитами вашей производственной компании на электропочту
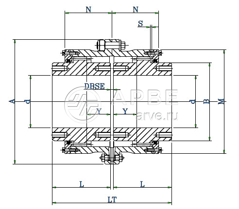
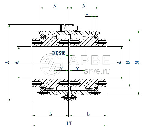
  • Описание

  • Характеристики

Вы смотрели

  • FGC Муфты
наверх